排骨是我國傳統菜肴中非常重要的烹飪原料,目前對排骨湯的研究主要集中在工藝優化和營養特性方面,而對排骨湯加工過程中風味的形成規律還缺乏系統的研究。本研究對排骨湯熬制過程中感官和風味等食用品質的變化規律進行研究,探索加工關鍵節點對排骨湯品質的影響,從而為進一步開發高品質的排骨湯產品提供依據。
材料與方法
材料
市售的長白豬豬排骨,肥瘦度適中
方法
實驗設計單因素試驗水平如表 1所示

排骨湯的感官評分標準如表2所示 。

排骨湯的風味測定 電子鼻和電子舌檢測
結果與分析
排骨湯熬制工藝的單因素試驗結果
料液比對排骨湯品質的影響

由圖1可知 ,隨著料液比的增加 ,排骨湯的感官評分呈先升高后降低的趨勢。當料液比1:3時,排骨湯的感官評分最高,且不同料液比對排骨湯品質的影響有顯著性差異 (P<0.05)。

由圖2可知 ,在不同料液比烹制排骨湯的電子鼻PCA圖中,第一主成分 (PC1)的貢獻率為81.2%,第二主成分 (PC2)的貢獻率為10.2%,二者之和達91.4%,表明PC1和PC2的總貢獻率幾乎包含了樣品的所有信息。
DI為93.6%,說明不同料液比的排骨湯可以用電子鼻區分,不同樣品間的揮發性香氣成分差異明顯。1號樣品橫跨第二、三象限,但 是其 中有3個點落在第三象限,可以推測 1號樣品的重心落在第三象限 。且1號樣品與2、3、4號樣品距離均較遠,能夠明顯區分開,表明其整體香氣成分與其他組樣品存在差異。

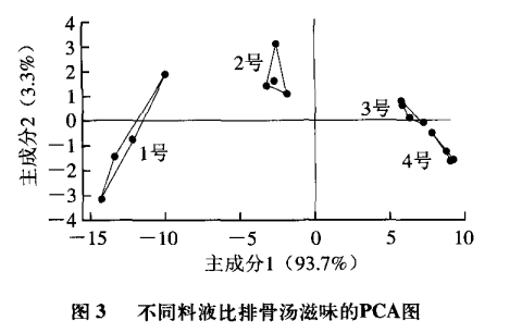
由圖3可知,第一主成分的貢獻率為93.7%,第二主成分的貢獻率為3.3%,二者的累計貢獻率為97.0%,能夠反映樣 品的整體特性。4組樣品分別分布在4個象限,DI為96.7%,彼此間互不干擾,表明電子舌可以明顯區分不同料液比熬制的排骨湯的滋味 。1號樣品與其他3組樣品區域間距均較大 ,表明1號樣品的味道明顯區別于其他3組樣品;3、4號樣品的區域間距較小,說明二者滋味的相似性較高 。
煮沸時間對排骨湯品質的影響

由圖4可知,隨著湯汁煮沸時間的增加 ,排骨湯的感官評分呈先升高后降低的趨勢。當煮沸時間為3min時,排骨湯的感官評分最高,且與其他煮沸時間有顯著性差異 (P<0.05)。

由圖5可知,第一主成分與第二主成分的貢獻率分別為96.2%和3.0%,二者的累積貢獻率達99.2%,說明這2個主成分能夠反 映排骨湯樣 品的整體信 息 。DI為89.5%,說明不同煮沸時間的排骨湯氣味有明顯差異 。1、3號樣品均主要分布在第一象限,2、4號樣品分別分布在第四和第二象限。1、2、3號樣品均分布在 y軸右側,且在橫坐標方向上的距離較近,表明3組樣品的揮發性氣味成分比較相近 。4樣品的分布區域與其他樣品相距最遠 ,整體風味與其他樣品差異明顯。

由圖6可知,第一主成分的貢獻率為71.8%,第二主成分的貢獻率為19.2%,總貢獻率為91.0%,說明這2個主成分構成的二維平面可以表征不同煮沸時間排骨湯滋味的差異 。DI達94.6%,說明4組樣品的滋味有明顯差異。4組樣 品分布在3個不同的象限,且均能被很好地區分。
熬制時間對排骨湯品質的影響
由圖7可知 ,隨著湯汁熬制時間的增加,排骨湯的感官評分呈先升高后降低的趨勢。當熬制時間為1.0h時,排骨湯的感官評分最高,與熬制0.5h和 1.5h的樣品沒有顯著差異 (P>0.05),但與熬制2.0h的樣品存在顯著差異 (P<0.05)。

由圖8可知,第一主成分和第二主成分的貢獻率分別 為98.5%和0.8%,總貢獻率為99.3%,能夠描述揮發性風味物質隨熬制時間變化的趨勢。DI為90.9%,圖譜中各組分數據均分布在各自的區域內,沒有重疊現象。3號樣品橫跨一、四象限,4個數據點所構成圖形的重心落在第一象限;4號樣品橫跨一、二象限,推測其重心同樣落在第一象限。2、3、4號樣 品位于y車由右側 ,且3組樣品在第主成分方向上變化不大 ,表明它們的氣味成分差異相對較小。l號樣品的數據分布在第三象限,且在第一主成分方向上的得分與其他3組樣品差別很大,表明1號樣品的氣味明顯區別于其他3組樣品。

由圖9可知 ,2種主成分的累計貢獻率為96.4%,能夠反映樣品的整體信息 。1、2、3、4號樣品分別分布在第四、第一、第二和第三象限,不同熬制時間樣品的數據 點在第一主成分方向上的變化很大。4組樣品的DI達97.3%,區域距離均較遠,表明4組樣品的滋味差異非常明顯。

排骨湯熬制工藝的正交試驗結果

由表3~4可知,影響排骨湯品質的各因素主次順序為熬制時間>料液比>煮沸時間。從每個因素的k1、k2、k3中選取最大值,得出的最優方案為A2B2C3,即料液比1:3.0、煮沸時間3.0min、熬制時間1.25h,按此配方制得的排骨湯口感醇厚、滋味圓潤、回味持久、后味足。
熬制時間對排骨湯品質的影響最大 ,熬制時間過短,營養物質和風味物質浸出不足 ,香味不夠濃郁;熬制時間過長 ,風味物質會有一定的破壞 ,口感上稍顯油膩。料液比也對排骨湯的品質具有重要影響,水的添加比例太小 ,不利于排骨中風味成分的釋放;水的比例太大,湯汁中的可溶性固溶物會被稀釋 ,使得湯汁味道變淡。對排骨湯品質影響最小的是煮沸時間,合適的煮沸時間有利于提高湯汁的風味。

由圖10可知,第一主成分和第二主成分的貢獻率分別為96.9%和2.4%,累計貢獻率為99.3%,說明2種主成分能夠反映9組排骨湯的整體信息。9組樣品分布在4個象限,DI為97.2%,說明9組排骨湯的氣味有明顯差異 。2、3、4號樣品均分布在第三象限,且樣品問相距較近,說明這3組樣品的氣味成分差異相對較小。結合實驗條件可知,3組樣品的熬制時間相差不大,使得它們的揮發性氣味物質比較接近 。5號~9號樣品均位于軸右側 ,7、8 號樣品均分布在第一象限,且這2組樣品在PCA圖中相距最近 ,說明二者風味差異最小 。5、6、9號樣品均分布在第四象限,3組樣品的數據點在第一主成分方向上變化不大 ,在第二主成分方向上基本無變化,表明3組樣品的整體風味接近 。1號樣品分布在第二象限,在PCA圖中明顯遠離其他8組樣品,表明它與其他樣品的氣味成分差異很大 ,這是由于1號樣品采用的實驗條件均為最小值,湯汁成分的差異造成了風味的差異。

由圖11可知,第一主成分和第二主成分的貢獻率分別為84.2%和 11.6%,總貢獻率為95.8%。9組排骨湯樣品分布在4個象限,樣品數據有部分重疊。1、2、3、5、8號樣品數據有部分重疊,尤其是1~3號樣品的重疊區域較大,不能得到區分,說明3組樣 品的滋味具有一定的相似性 ;5號和8號樣品也有重疊區域 ,二者的區分度 不高 。4、7號樣品分布在第四象限,6、9號樣品分別分布在二 、一象限,這4組樣品數據分布較為分散,其中6、9號樣 品與其他樣品差異較大,這可能是 由于這4組樣品的滋味成分明顯不同。
結論
本研究結合感官評價 ,利用電子鼻和電子舌識別不同熬制工藝排骨湯的風味物質變化。結果表明,排骨湯熬制的最佳工藝條件為料液比1:3、煮沸時間3min、熬制時間75min,在此條件下制得的排骨湯口感醇厚、滋味圓潤 、回昧持久 、后味足 。電子鼻 的PCA結果表明,9組正交試驗樣品分布在4個象限,DI為97.2%,排骨湯氣味有明顯差異;電子舌的PCA結果表明,9組正交試驗樣品分布在4個象限,樣 品數據有部分重疊,排骨湯滋味具有一定的相似性。電子鼻和 電子舌的數據能夠判別不同熬制工藝條件下排骨湯的風味物質是否存在差異 。本研究結果可以為排骨湯的品質評價提供理論依據 ,有助于推進排骨湯的產業化進程。 來源:感官科學與評定 ,轉載請注明來源。




